Through the uniformity management of the solder-plating layer, flexibility and straightness of the ribbon for solar cell modules are promoted. KOSBON supports the high-speed module operation and CTM conversion efficiency at its best.
| Material | OF-Cu | Cu ≥ 99.95% |
|---|---|---|
| Dimension | Round Tab Wire | Diameter : 0.20 - 0.50mm Tolerance : ± 2% of nominal diameter |
| Bus Ribbon | Thickness : 0.20 - 0.50mm Width : 4.00 - 7.00mm Tolerance : ± 5% of nominal dimension |
|
| Mechanical Properties Specification (Yield strength) |
Bus Ribbon : Max. 120 MPa | |
| Composition | Liquidus temp.(℃) | |
|---|---|---|
| Unleaded | Sn96.5Ag3.0Cu0.5 | 219 |
| Sn62Bi38 | 180 | |
| Leaded | Sn62Pb36Ag2 | 190 |
| Sn60Pb40 | 190 | |
| Sn63Pb37 | 184 | |
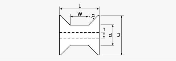
| Type | D(mm) | d(mm) | w(mm) | L(mm) | h(mm) | Net wt.(kg) |
|---|---|---|---|---|---|---|
| P-10s | 152 | 102 | 102 | 122 | 16.5 | 5 |
| P-10 | 200 | 91 | 110 | 134 | 25 | 10 |
| Type | D(mm) | d(mm) | w(mm) | L(mm) | h(mm) | Net wt.(kg) |
|---|---|---|---|---|---|---|
| HKV160 | 160 | 90 | 85 | 160 | 22.5 | 8 |